Typical Heavy / Light Rail Applications
-
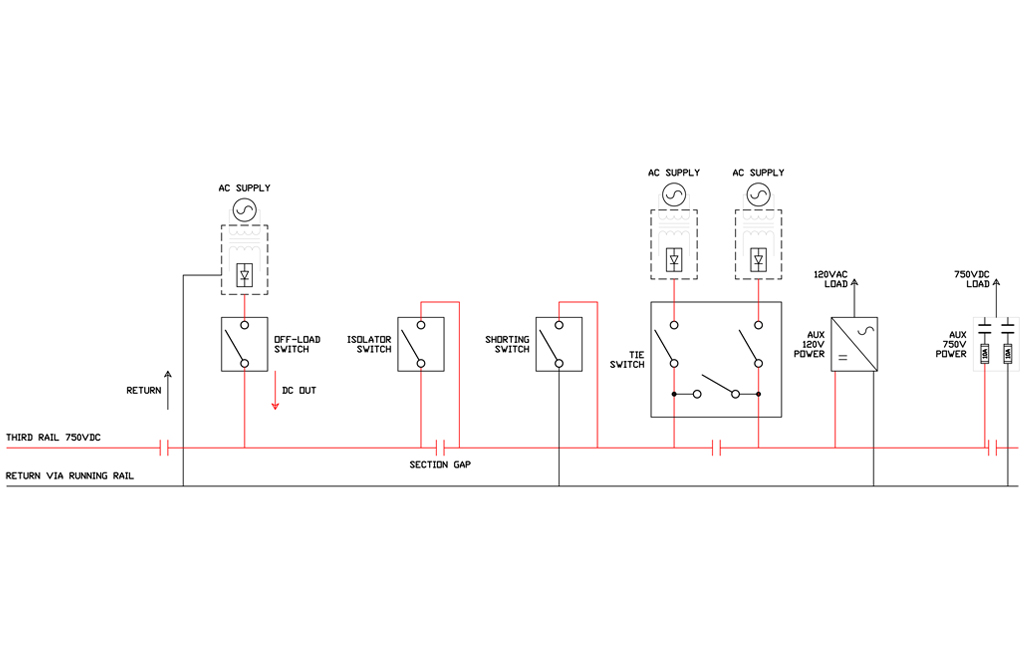
Typical Heavy/Light Rail Applications Electrical Diagram
-
2-Pole Load Break Switch
-
Electrically Operated Isolation Switch
-
Electrically Operated Isolation Switch
-
Shorting Switch
-
2xSingle Pole Double Throw Electrically Operated Isolation Switch
-
750VDC-120VAC Inverter
-
Heating Control Panel
-